Opis proizvoda
Karakteristike
-
varijabilno pozicioniranje miješalice, može biti lijevo ili desno od izljevnog dijela
-
jednostavna orijentacija zahvaljujući površinama za oslonac libele
-
s građevinskom zaštitnom kapom protiv onečišćenja tijekom ugradnje
-
s naznačenim dimenzijama za precizno određivanje dubine ugradnje
-
s unaprijed montiranim ušicama za pričvršćivanje kod montaže u suhomontacijskim i punim zidovima
-
zvučno odvojena ugradnja
-
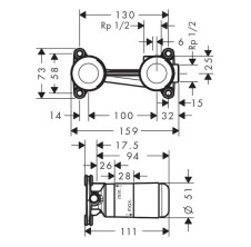
priključna dimenzija: DN15
-
minimalna dubina ugradnje: 44 mm
-
maksimalna dubina ugradnje: 72 mm
Tehnički listovi
Upute za montažu
Preuzmi
